¿À´ÃÇÏ·ç ¿Áö¾Ê±â
´Ý±â
Home
Login
Join
blog
ȸ»ç¼Ò°³
ȸ»ç¼Ò°³
¿À½Ã´Â±æ
°èÃø¼¾¼
ÅäÅ©¼¾¼
·Îµå¼¿
ÆÄÁö·Â°è
ºñÁ¢ÃË½Ä º¯À§¼¾¼
Á¢ÃË½Ä º¯À§¼¾¼
·¹ÀÌÁ®¼¾¼
Áøµ¿/°¡¼Óµµ¼¾¼
¾Ð·Â¼¾¼
¿ÍÀ̾¼
°æ»ç¼¾¼
¿£ÄÚ´õ
°èÃøÀåºñ
Àεð°ÔÀÌÅÍ
ÅäÅ©¾×Ãò¿¡ÀÌÅÍ
Àüµ¿¹ë·±¼
µ¥ÀÌÅͷΰÅ
¾ÚÇÁ
Àû¿ë»ç·Ê
Àû¿ë»ç·Ê
°í°´Áö¿ø
°øÁö»çÇ×
Áú¹®°ú´äº¯
ÀÚ·á½Ç
°èÃø¼¾¼
PRODUCT
¡å
ÅäÅ©¼¾¼
·Îµå¼¿
ÆÄÁö·Â°è
ºñÁ¢ÃË½Ä º¯À§¼¾¼
Á¢ÃË½Ä º¯À§¼¾¼
·¹ÀÌÁ®¼¾¼
Áøµ¿/°¡¼Óµµ¼¾¼
¾Ð·Â¼¾¼
¿ÍÀ̾¼
°æ»ç¼¾¼
¿£ÄÚ´õ
CUSTOMER
02-3016-7944
am 09:00 ~ pm 06:00
¿Â¶óÀι®ÀÇ
Home
°èÃø¼¾¼
·Îµå¼¿
·Îµå¼¿
PRODUCT
¸ðµ¨¸í
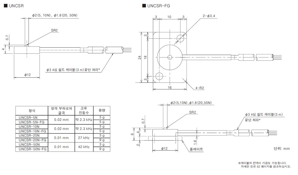
¼ÒÇü ¾ÐÃàÇü ·Îµå¼¿ UNCSR
÷ºÎÆÄÀÏ
UNCSR.pdf
µµ¸é_UNCSR.zip
¼ÒÇü ¾ÐÃàÇü ·Îµå¼¿ UNCSR
Áö¸§ 12mm, ³ôÀÌ 4mmÀÇ ÃʼÒÇü ¾ÐÃà ·Îµå¼¿
¿ë·® 5N, 10N, 20N, 50N
¾Ë·ç¹Ì´½Á¦(5N, 10N), ½ºÅ×Àθ®½º(20N, 50N)
³ª»ç °íÁ¤¿ë Ç÷¹ÀÌÆ® ÀåÂø ¸ðµ¨ (UNCSR-0N-FG)
ȸ»ç¼Ò°³
ȸ»ç¼Ò°³
¿À½Ã´Â±æ
°èÃø¼¾¼
ÅäÅ©¼¾¼
·Îµå¼¿
ÆÄÁö·Â°è
ºñÁ¢ÃË½Ä º¯À§¼¾¼
Á¢ÃË½Ä º¯À§¼¾¼
·¹ÀÌÁ®¼¾¼
Áøµ¿/°¡¼Óµµ¼¾¼
¾Ð·Â¼¾¼
¿ÍÀ̾¼
°æ»ç¼¾¼
¿£ÄÚ´õ
°èÃøÀåºñ
Àεð°ÔÀÌÅÍ
ÅäÅ©¾×Ãò¿¡ÀÌÅÍ
Àüµ¿¹ë·±¼
µ¥ÀÌÅͷΰÅ
¾ÚÇÁ
Àû¿ë»ç·Ê
Àû¿ë»ç·Ê
°í°´Áö¿ø
°øÁö»çÇ×
Áú¹®°ú´äº¯
ÀÚ·á½Ç